ДОНСКИЕ ИЗМЕРИТЕЛЬНЫЕ СИСТЕМЫ
8 800 500 61 54звонок по РФ бесплатный

8 (863) 290-42-69

8 (863) 291-01-93

Каталог товаров
Мембранные разделители/Мембранный разделитель Тип DN
/site/files/site_catalogue_item/f5/584/auto_8489de5f301160a64a2008a14418ac75.jpg/var/www/dis_rostov_r_usr22/data/www/dis-rostov.ru//site/files/site_catalogue_item/f5/584/auto_8489de5f301160a64a2008a14418ac75.jpgМембранный разделитель Тип DN

Мембранный разделитель Тип DN

Статус:  Под заказ
Описание

Мембранный разделитель Тип DN

Комментарий

ОТЛИЧИТЕЛЬНЫЕ ОСОБЕННОСТИ:

  • Полностью из нерж. стали AISI 316 SS
  • Непрерывные измерения
  • Сварная конструкция
  • Широкое применение в целлюлозно-бумажной промышленности

 

НАЗНАЧЕНИЕ:
Мембранные разделители сред DN, обеспечивают надежную защиту чувствительных элементов
манометров, датчиков давления, переключателей давления. Предохраняют
измерительные элементы от коррозии, а также способствуют измерению давления
кристаллизующихся и вязких сред. Применяются в целлюлозно-бумажной
промышленности. Возможно применение в местах с повышенной вибрацией.

СПЕЦИФИКАЦИЯ
Стандартная версия

 

Диапазон:

0 кгс/см2 ? 40 кгс/см2

Температура измеряемой
среды:

-40 °С до +200 °С (в зависимости от заполняемой
жидкости)

Присоединение прибора:

3/8 BSP (внутренняя) другая резьба по запросу

Присоединение к процессу:

Фланцевое, в соответствии с нижеприведенным
чертежом

Разделительная жидкость:

Силиконовое масло – DC 200

Мембрана

Нерж. сталь 316L SS

Ответный фланец

Нерж. сталь 304 SS

Корпус:

Нерж. сталь 316 SS

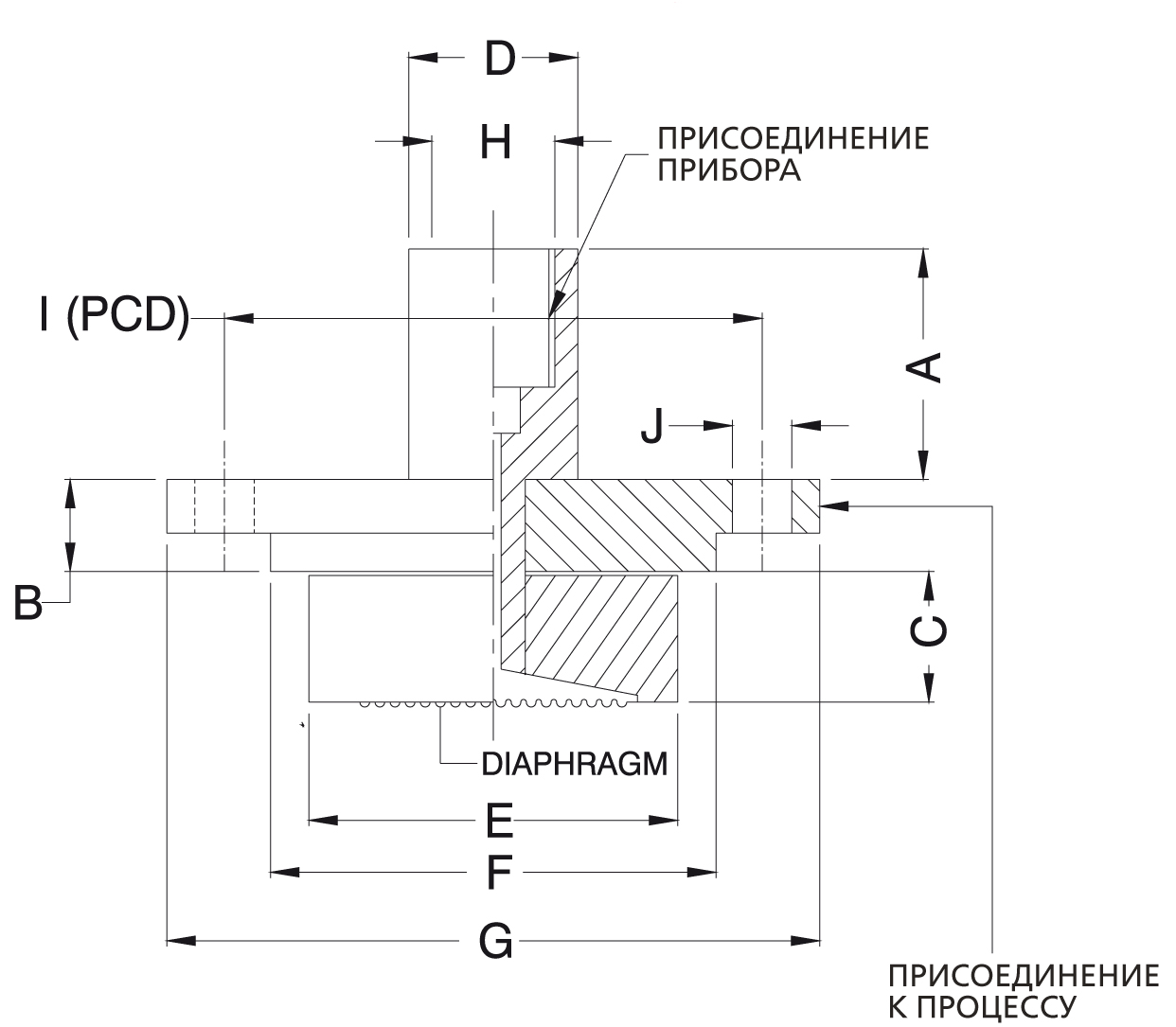
DN_1 

A

B

C

D

E

F

G

H

I

J

30

12

17

22 SQ

48

58

85

3/8* BSP (F)

70

8

ФОРМА ЗАКАЗА

 

Базовая модель

DN

Опции
Опции (при заказе нестандартного исполнения, просьба связаться с представителями
Поставщика (Производителя) для уточнения минимальной партии.

Присоединение прибора
VO 1/4 NPT (F) VQ 3/8 NPT (F)
VP 3/8 BSP (F) VN 1/4 BSP (F)

VP

Мембрана
UJ AISI 316L SS

UJ

Материал корпуса
TL AISI 316L SS TM AISI 316 SS

TM

Присоединение к прибору
VO 1/4 NPT (F) VQ 3/8 NPT (F)
VP 3/8 BSP (F) VN 1/4 BSP (F)

VN

Погружная часть (тубус)
TL AISI 316L SS TM AISI 316 SS

TM

Заполняемая жидкость
US FLUROLUBE 4.2 [-45 TO 175°C / -49 TO 374° F]
UV FOOD GRADE OIL [-20 TO 140°C/-4 TO 284° F]
UX SILICON DC 200-200 CS [-40 TO 205°C / -49 TO 401 ° F]
VA SYLTHERM 800 [-45 TO 205°C / -49 TO 401° F]

UX

Наличие капилляра
AO без капилляра
A1 с капилляром

A1

Капилляр
PE AISI 304 SS PG AISI 316 SS

PE

Оплетка капилляра
PF AISI 304 SS PH AISI 316 SS PI PVC

PF

Длина капилляра (максимум 2 метра)
В метрах (пример: 1,5 – 1,5 метра; 2 – 2 метра)

1 m

Прочие опции
TB проверка утечки гелием ТС поставка разделителя без прибора
KF Специальное присоединение (* согласно требованию заказчика)

TB

Пример оформления заказа: DN-VP-UJ-TM-UX-A1-PE-PF-1m-TB

Примечание:
Другие исполнения по запросу.

 

 

Похожие товары

Мембранный...
Мембранный...
Мембранный...