Мембранный разделитель Тип DB
Область применения
Разделители сред DB, обеспечивают надежную защиту измерительных элементов манометров, датчиков давления, переключателей давления. Предохраняют чувствительные элементы от коррозии, а также способствуют измерению давления кристаллизующихся и вязких сред.
Комментарий
ОТЛИЧИТЕЛЬНЫЕ ОСОБЕННОСТИ МЕМБРАННОГО РАЗДЕЛИТЕЛЯ Тип DB:
- Диафрагма имеет надежную сварную конструкцию
- Состоит из 2-х частей
- Подходит для общепромышленного применения
- Мембрана приварена к верхнему фланцу
- Исполнение полностью из нержавеющей стали
НАЗНАЧЕНИЕ:
Разделители сред DB, обеспечивают надежную защиту измерительных элементов
манометров, датчиков давления, переключателей давления. Предохраняют
чувствительные элементы от коррозии, а также способствуют измерению давления
кристаллизующихся и вязких сред.
СПЕЦИФИКАЦИЯ
Стандартная версия
Диапазон: | -1 кгс/см2 ? 70 кгс/см2 |
Температура измеряемой среды: | -40°С до +200°С (в зависимости от заполняемой жидкости) |
Присоединение прибора: | 3/8 BSP (внутренняя) другая резьба по запросу |
Присоединение к процессу: | 1/2 NPT (наружная) другая резьба по запросу |
Разделительная жидкость: | Силиконовое масло – DC 200 |
Мембрана | Нерж. сталь 316L SS |
Корпус: | Нерж. сталь 316 SS |
Нижний фланец: | Нерж. сталь 316 SS |
Крепеж: | Нерж. сталь 304 SS |
Уплотнение: | PTFE (до +200°С)/Металл (до +350°С) |

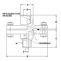
A | ~B | ~C | E | F | G | H | I |
30 | 25 | 47 | 98 | ? 8 | 3/8* BSP (F) | * | A/F 25 |
* Согласно требованию клиента. Все размеры приведены в мм.
ФОРМА ЗАКАЗА
Базовая модель | DB |
Опции Верхний фланец XW AISI 304 SS YA AISI 316L SS XY AISI 316 SS | YA |
Диафрагма UI AISI 304 SS UM Монель UQ Тантал UJ AISI 316L SS UN Никель UR Титан UL Хастеллой UP Серебро UW Инконнель 600 | UJ |
Уплотнение VI PTFE (до +200 °С) YR Металл (до +350 °С) | VI |
Присоединение к процессу WC 3/8 BSP (F) WH 1/2 NPT (F) WS 1/4 BPS (M) WD 1/4 BSP (F) WI 1/4 NPT (F) WZ 3/8 NPT (M) WE 1/4 BSP (F) WT 3/8 BSP (M) WY 1/4 NPT (M) WG 3/8 NPT (F) WU 1/2 BSP (M) WA 1/2 NPT (M) * Материал присоединительного адаптера указать дополнительно при заказе, в случае отличия от материала нижнего фланца. | WU |
Присоединение прибора VL 1/2 BSP (F) VN 1/4 BSP (F) VO 1/4 BSP (F) VM 1/2 NPT (F) VQ 3/8 NPT (F) VP 3/8 BSP (F) | VP |
Нижний фланец TM AISI 316 SS | TM |
Болты, гайки, шайбы (крепеж) VW AISI 304 SS | VW |
Промывочное кольцо (секция) VC Материал AISI 304 SS с резьба 1/2 NPT VD Материал AISI 316 SS с резьба 1/2 NPT VE Материал AISI 304 SS с резьба 1/4 NPT VF Материал AISI 316 SS с резьба 1/4 NPT | VF |
Заполняемая жидкость US FLUROLUBE 4.2 [-45 TO 175°C / -49 TO 374° F] UT FLUROLUBE 6.3 [-40 TO 235°C / -40 TO 455° F] UU FLUROLUBE FS5 [-40 TO 150°C / -40 TO 302° F] UV FOOD GRADE OIL [-20 TO 140°C/-4 TO 284° F] UX SILICON DC 200-1 OCS [-40 TO 205°C / -49 TO 401 ° F] UY SILICON DC 704 [0 TO 315°C / 32 TO 599° F] UZ SILICON DC 710 [5 TO 345°C / 41 TO 653° F] VA SYLTHERM 800 [-45 TO 205°C / -49 TO 401° F] VB SYLTHERM XLT [-75 TO 150°C / -102 TO 302° F] VC Halocarbon Oil | UX |
Защита частей, контактирующих с измеряемой средой VS PTFE прокладка на нижнем фланце, толщина 2 мм VV PTFE защита для диафрагмы VZ Покрытие PTFE на диафрагме | VV |
Наличие капилляра A0 без капилляра A1 с капилляром | A1 |
Капилляр PE AISI 304 SS PG AISI 316 SS | PE |
Оплетка капилляра PF AISI 304 SS PH AISI 316 SS PI PVC | PF |
Длина капилляра (максимум 6 метров) В метрах (пример: 1,5 – 1,5 метра; 2 – 2 метра) | 3 м |
Прочие опции TB проверка утечки, гелий YX поставка разделителя без прибора | TB |
Пример оформления заказа: DB-YA-UJ-VI-WU-VP-TM-VW-VF-UX-VV-A1-PE-3м-TB |
Примечание:
Другие исполнения по запросу.
Производитель постоянно работает над улучшением дизайна и повышением качества, поэтому оставляет за собой право
исправлять и дополнять указанную выше информацию.