ДОНСКИЕ ИЗМЕРИТЕЛЬНЫЕ СИСТЕМЫ
8 800 500 61 54звонок по РФ бесплатный

8 (863) 290-42-69

8 (863) 291-01-93

Каталог товаров
Контроллеры для вентиляции, кондиционирования/ТРМ133М контроллер систем вентиляции и кондиционирования, контроллер температуры в системах приточно-вытяжной вентиляции
ТРМ133М контроллер систем вентиляции и кондиционирования, контроллер температуры в системах приточно-вытяжной вентиляции

ТРМ133М контроллер систем вентиляции и кондиционирования, контроллер температуры в системах приточно-вытяжной вентиляции

Статус:  Под заказ
Описание

Контроллер для систем вентиляции и кондиционирования ТРМ133М

Контроллер систем приточной вентиляции ТРМ133М в комплексе с первичными преобразователями, модулем расширения МР1 и исполнительными механизмами предназначены для контроля и регулирования температуры воздуха в помещениях, оборудованных системой приточной/приточно-вытяжной вентиляции, отображения измеренной температуры и режимов работы на встроенном индикаторе и формирования сигналов управления встроенными выходными элементами и выходными элементами модуля МР1. Данный прибор поставляется в комплекте с модулем расширения ОВЕН МР1.





Модификации контроллера для систем вентиляции и кондиционирования ТРМ133М

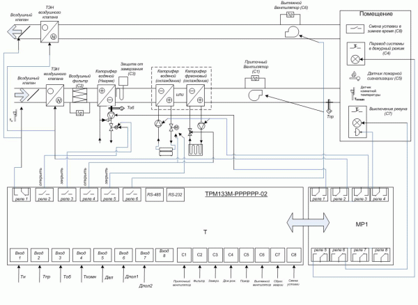
ТРМ133М-02 – контроллер для систем приточной вентиляции с водяным калорифером и фреоновым либо водяным охладителем

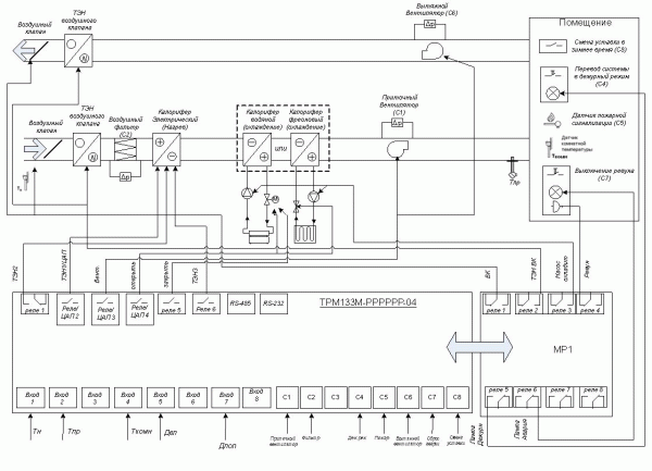
ТРМ133М-04 – контроллер для систем приточной вентиляции с электрическим калорифером и фреоновым либо водяным охладителем


Возможности контроллера для систем вентиляции и кондиционирования ТРМ133М

  • Встроенные часы реального времени
  • Автоматическая настройка ПИД-регуляторов
  • Автоматический выбор режимов (прогрев/нагрев/охлаждение/вентиляция)
  • Возможность смены прошивки (при помощи комплекта для перепрошивки ТРМ133М)


Функциональные возможности ОВЕН ТРМ133М

  • Автоматическое регулирование температуры приточного воздуха в соответствии с заданной уставкой или по графику (от температуры наружного воздуха)
  • Измерение, контроль и регулирование следующих основных параметров:
    – температуры воды, возвращаемой в теплосеть, в соответствии с графиком (для ТРМ133М-02);
    – температуры комнатного воздуха.
  • Измерение дополнительных физических параметров:
    – влажности;
    – положения задвижек.
  • Формирование сигналов управления внешними исполнительными механизмами и устройствами: водяным либо фреоновым калориферами охлаждения, калорифером нагрева, ТЭНом воздушного клапана, приточным/вытяжным вентилятором, насосами в контурах нагрева и охлаждения, воздушным клапаном, устройствами сигнализации
  • Диагностика аварийных ситуаций
  • Задание значений программируемых рабочих параметров с помощью встроенной клавиатуры управления, а также от ПК по сети RS-485 и RS-232
  • Поддержка протоколов обмена: ОВЕН, Modbus-RTU и Modbus-ASCI

 

Технические характеристики

Наименование

Значение

напряжение, В

90...245

частота, Гц

47…63

Потребляемая мощность, ВА, не более

12

Аналоговые входы, количество

8

Дискретные входы, количество

8

Уровень сигнала, соответствующий логической единице на входе, В

12…36

Уровень сигнала, соответствующий логическому нулю на входе, В

0…4

Подключаемые входные устройства

Датчики типа «сухой контакт», коммутационные устройства (контакты реле, кнопок и т.д.)

Встроенный вторичный источник питания

24 ±3

Напряжение, В, Максимально допустимый ток нагрузки, мА

180

Интерфейс связи

RS-485; RS-232

Режим работы

Slave

Протоколы передачи данных

ОВЕН; Modbus ASCII; Modbus RTU

Тип корпуса

DIN12M

Габаритные размеры прибора, мм

(157x86x58)±1

Степень защиты корпуса (со стороны лицевой панели)

IP20

Масса прибора, кг, не более

0,5

Температура окружающего воздуха, °С

-10…+55


Выходы (дискретные и аналоговые ВУ)

 


Количество ВУ внутри контроллера

6 (5 из них – с возможностью установки ЦАП)

  

Функциональная схема прибора ОВЕН ТРМ133М-02 

 mod02-600x439x90x281

Обозначения при заказе

mod02_1

 

Функциональная схема прибора ОВЕН ТРМ133М-04 

 mod04-600x439x90x025

Обозначения при заказе

mod04_1

ТРМ133М-РУОУОР.02 14 520,00 ₽ ЗАКАЗАТЬ
На заказ (цены указаны с НДС)
ТРМ133М-РРУУОР.04 14 520,00 ₽ ЗАКАЗАТЬ
ТРМ133М-РРРУОР.02 14 520,00 ₽ ЗАКАЗАТЬ
ТРМ133М-РИОИОР.02 14 520,00 ₽ ЗАКАЗАТЬ
ТРМ133М-РТРРРР.04 14 520,00 ₽ ЗАКАЗАТЬ
ТРМ133М-ОУУУОО.04 14 520,00 ₽ ЗАКАЗАТЬ
ТРМ133М-РРРУОР.04 14 520,00 ₽ ЗАКАЗАТЬ
ТРМ133М-РТИРРР.04 14 520,00 ₽ ЗАКАЗАТЬ
ТРМ133М-ОУУРРР.04 14 520,00 ₽ ЗАКАЗАТЬ
ТРМ133М-ОИРРРО.04 14 520,00 ₽ ЗАКАЗАТЬ
ТРМ133М-РУОРРР.02 14 520,00 ₽ ЗАКАЗАТЬ
ТРМ133М-ОУРУОО.04 14 520,00 ₽ ЗАКАЗАТЬ
ТРМ133М-РРУРРР.04 14 520,00 ₽ ЗАКАЗАТЬ
ТРМ133М-РРРРРР.04 13 800,00 ₽ ЗАКАЗАТЬ
ТРМ133М-РИОУОР.02 14 520,00 ₽ ЗАКАЗАТЬ
ТРМ133М-РТТТТТ.04 14 520,00 ₽ ЗАКАЗАТЬ
ТРМ133М-ОУРРРО.04 14 520,00 ₽ ЗАКАЗАТЬ
ТРМ133М-РРРИОР.02 14 520,00 ₽ ЗАКАЗАТЬ
ТРМ133М-РРРРРР.02 13 800,00 ₽ ЗАКАЗАТЬ
ТРМ133М-РРИРРР.04 14 520,00 ₽ ЗАКАЗАТЬ
ТРМ133М-РИОРРР.02 14 520,00 ₽ ЗАКАЗАТЬ


Купить контроллеры управления системой вентиляции ТРМ133М по выгодной цене

Купить по низкой цене контроллеры ТРМ133М в Ростове-на-Дону, Ростовской области, в Краснодаре и Краснодарском Крае, Ставрополе и Ставропольском Крае, Волгограде и Волгоградской области, в городах: Нальчик, Владикавказ, Грозный, Махачкала и других городах Юга России можно в нашей компании. Все покупатели могут получить бонусы и подарки!



Доставка контроллеров системой вентиляции ТРМ133М в города Юга России


Мы доставим контроллеры ТРМ133М в течении одного - двух дней в города: Ростов, Волгодонск, Сальск, Краснодар, Ставрополь, Невинномысск, Минеральные Воды, Кисловодск, Пятигорск, Железноводск, Тихорецк, Тимашевск, Сочи, Новороссийск, Анапа, Туапсе, Геленджик, Ейск, Майкоп, Армавир, Волгоград, Элиста, Астрахань, Таганрог, Новочеркасск, Азов, Шахты, Черкесск, Нальчик, Владикавказ, Грозный, Махачкала.

Техническая документация и гарантии на все типы контроллеров

На все виды контроллеров, используемых для управления системами отопления и водоснабжения, вентиляции наша компания представляет полный пакет сопроводительных документов и технической документации. Все приборы имеют длительный срок эксплуатации и обеспечиваются заводской гарантией и сервисным обслуживанием. Инженеры нашей компании готовы предоставить самую подробную информацию об использовании контроллеров отопления, схемах их подключения, настройках и программирования контроллеров.

Похожие товары

ВЬЮГА-1 контроллер...
ТРМ1033 контроллер...
ТРМ33 контроллер отопления...